Fecaliendompelpomp SEG.40.15.E.Ex.2.50B 3x400VY Auto Adapt GRUNDFOS
0AA4695
MFG #: 96878515
€4.093,00
/ 1.00
- Aansluiting uitlaatzijde: Flens
- Aansluitstandaard uitlaatzijde: EN 1092-2
- Aantal fasen: 3
- Afgegeven motorvermogen (P2): 1,5 kW
- Beschermingsgraad (IP): IP68
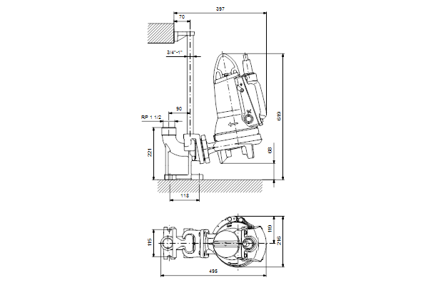
- Diameter pomp: 216 mm
- Dompeldiepte: 7 m
- Druk bij volumestroom (BEP): 171,62 kPa
- Druktrap flens aansluiting uitlaatzijde: PN 10
- Elektrische aansluiting: Kabel
- Explosieveilig: Ja
- Flensvorm: Rond
- Frequentie: 50 Hz
- Geschikt voor droge opstelling: Nee
- Geschikt voor fecaliën: Nee
- Gewicht: 50,3 kg
- Isolatieklasse volgens IEC: F
- Kabellengte: 10 m
- Kwaliteitsklasse materiaal waaier: Gietijzer EN-GJL-200 (GG 20)
- Kwaliteitsklasse motorbehuizing: Gietijzer EN-GJL-200 (GG 20)
- Kwaliteitsklasse pomphuis: Gietijzer EN-GJL-200 (GG 20)
- Materiaal motorbehuizing: Gietijzer
- Materiaal pomphuis: Gietijzer
- Materiaal waaier / pompwiel: Gietijzer
- Max. debiet: 15 m³/h
- Max. opvoerhoogte: 25,8 m
- Max. werkdruk: 6 bar
- Merk: GRUNDFOS
- Met droogloopbeveiliging: Ja
- Nom. diameter aansluiting uitlaatzijde: DN 40
- Nom. spanning: 400 - 415 V
- Nom. stroom: 3,8 A
- Opgenomen motorvermogen (P1): 2,3 kW
- Pompschakeling: Geen
- Toerental: 2700 1/min
- Type toerenregeling: Overig
- Uitwendige buisdiameter aansluiting uitlaatzijde: 40 mm
- Versnijdend: Ja
- Volumestroom (BEP): 10,8 m³/h
- Type: SEG.40.15.E (Auto Adapt)
- Serie: SEG Fecaliën versnijder dompelpomp
